Circuitele Cap Scară și Cap Cruce

  • 82 views
Tot ce Trebuie să Știi pentru un Iluminat Inteligent
Te-ai întrebat vreodată cum poți aprinde lumina de la parter și să o stingi de la etaj, sau cum poți controla același bec din trei puncte diferite ale unui hol lung? Răspunsul stă în utilizarea corectă a circuitelor cap scară și cap cruce.
Pe electric-it.ro, ne dorim ca fiecare proiect electric să fie sigur și eficient. În acest articol, demontăm miturile despre aceste montaje și îți explicăm cum funcționează.
1. Circuitul Cap Scară (Comandă din 2 puncte)
Circuitul cap scară este soluția ideală pentru scări, holuri sau dormitoare (unde vrei un întrerupător la ușă și unul lângă pat).
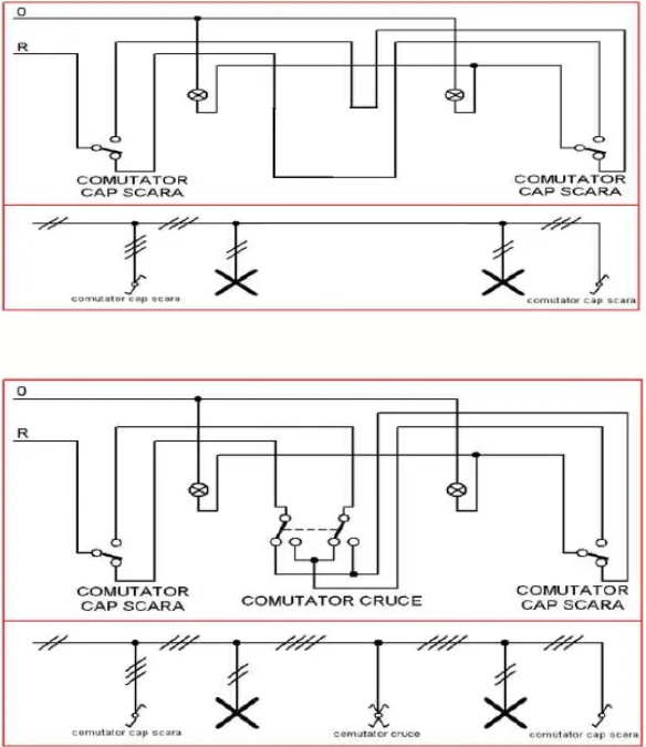
  • Cum funcționează: Spre deosebire de un întrerupător simplu, cel cap scară are 3 borne. Curentul circulă între cele două întrerupătoare prin intermediul a două fire „navetă”.
  • Componente necesare: 2 x Întrerupătoare Cap Scară.
  • Avantaj: Confort sporit. Nu mai trebuie să te întorci pe întuneric după ce ai stins lumina.
schema cap scara si cap cruce
2. Circuitul Cap Cruce (Comandă din 3 sau mai multe puncte)
Dacă ai un spațiu mai complex, cum ar fi un hol în formă de „L” cu mai multe intrări sau o scară cu mai multe niveluri, circuitul cap scară nu este suficient. Aici intervine întrerupătorul cap cruce.
  • Cum funcționează: Întrerupătorul cap cruce se montează întotdeauna între două întrerupătoare cap scară. Acesta are 4 borne și acționează ca un inversor între firele de navetă.
  • Configurație: Pentru 3 puncte de comandă, ai nevoie de: 2 x Cap Scară + 1 x Cap Cruce.
  • Extensibilitate: Poți adăuga oricâte întrerupătoare cap cruce suplimentare între cele două capete (cap scară) pentru a controla lumina din 4, 5 sau 10 puncte.

Tabel Comparativ: Cap Scară vs. Cap Cruce
Caracteristică Cap Scară Cap Cruce
Puncte de comandă 2 puncte 3 sau mai multe puncte
Număr de borne 3 borne 4 borne
Poziție în circuit La capetele circuitului Între întrerupătoarele cap scară
Utilizare tipică Holuri scurte, dormitoare Case cu etaj, holuri mari, săli de conferințe

Sfaturi de Montaj și Siguranță
  1. Identificarea firelor: Folosește culori diferite pentru navete (de exemplu, gri sau negru) pentru a le distinge de fază și nul, respectând normele despre care am vorbit în articolul despre SR HD 308 S2:2011.
  2. Atenție la mecanism: Deși la exterior arată ca un întrerupător simplu, mecanismul interior este diferit. Verifică întotdeauna schema de pe spatele produsului.
  3. Calitatea contează: Alege aparataj de calitate de pe electric-it.ro pentru a evita arcul electric și uzura prematură a contactelor.
Concluzie
Implementarea circuitelor cap scară și cap cruce transformă radical experiența de utilizare a unei locuințe. Deși instalarea pare complexă, cu echipamentele potrivite și o schemă corectă, rezultatul este unul profesional și durabil.